CATEGORIES
- Anchor
- Bolt
- Custom Made
- Nut
- All-Metal Lock Nut
- Cage Nut
- Cap Nut
- Castle Nut
- Clinching Nut
- Dome Cap Nut
- Hexagon Flange Nut
- Hexagon Long Nut
- Hexagon Nut
- Hexagon Thin Nut
- Hexagon Weld Nut
- Insert Nut
- Lock Nut
- Nylon Hexagon Nut
- Self Locking Counter Nut
- Spring Nut
- Square Nut
- Square Thin Nut
- Square Weld Nut
- Tee Nut
- U-Nut
- Wing Nut
- Wood Insert - Type D
- Wood Insert - Type E
- Others
- Pin, Clip & Rivet
- Screw
- Socket Type
- Washers
- Bonded Washer
- Conical Disc Spring Washer
- Conical Washer For Cap
- Contact Washer
- Contact Washer With Teeth
- Copper Washer
- Disc Spring Washer
- Flat Washer
- Neoprene Rubber Washer
- Quick Lock Washer
- Ribbed Lock Washer
- Spring Washer
- Spring Washer for Socket Head Cap Screw
- Square Washer
- Taper Washer
- Tooth Lock Washer
- Two Tongue Washer
- Wave Washer
- Wedge Lock Washer
Ferrule
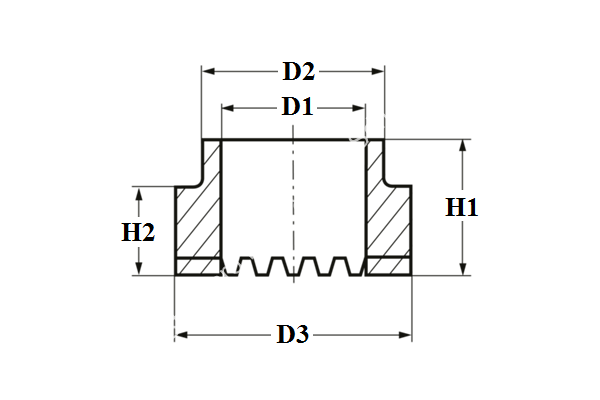
| For Screw Size | M6 | M8 | M10 | M12 |
| D1 | 6.2MM | 8.2MM | 10.2MM | 12.2MM |
| D2 | 9.5MM | 11.9MM | 15.0MM | 17.0MM |
| D3 | 11.5MM | 15.3MM | 18.5MM | 20.0MM |
| H1 | 10.0MM | 9.0MM | 11.5MM | 13.0MM |
| H2 | 6.2MM | 5.1MM | 7.5MM | 8.0MM |





